- MaxLinear’s MxL7650x buck converters deliver high efficiency, low ripple, and compact design—ideal for data centers, networking, and industrial systems. Discover how smart sequencing and thermal stability redefine power architecture.
-News.jpg?width=1280&height=720&ext=.jpg)
Authors
| Jeffrey Yang Principal Applications Engineer |
Jagdish Kaushik Sr. Principal Applications Engineer |
Dat Dang Applications Engineering Manager |
Julio Song Director of IMM Marketing, Power Management |
Introduction
MaxLinear’s power solution—the MxL76508, MxL76503, and MxL76502 devices (MxL7650x)—delivers a highly efficient, scalable, and thermally stable architecture for multi-rail systems. Designed to support industry-standard output voltages, this solution is ideal for a wide range of applications including high-speed Ethernet switches, data center servers, laptops, industrial control systems, and consumer electronics.
The exceptional performance numbers demonstrated by the MxL76508, MxL76503, and MxL76502 make them ideal choices for data centers running AI and machine learning workloads that require intensive processing power. This product family supports high-performance computing platforms utilizing advanced processors such as Intel®, AMD, and NVDIA®. For cutting-edge power supply products tailored for demanding infrastructure environments, go to www.maxlinear.com.
Product Overview
The MxL7650x devices are high-efficiency, synchronous buck converters capable of delivering up to 8A continuous current. They feature constant-on-time (CoT) closed loop control and operate in forced continuous conduction mode (FCCM), which ensures low ripple over all dynamic load ranges under light load conditions and provides fast transient response during load changes. These devices also offer pulse-frequency-modulation (PFM) guaranteeing minimal energy dissipation at light loads, making them ideal for low-power applications. The voltage output is easily configurable depending on the customer's application. The MxL76508 has a switching frequency of 700kHz, while the MxL76503 and MxL76502 have a switching frequency of 720kHz.
The MxL76508 comes in a compact 3mm × 3mm QFN package, while the MxL76503 and MxL76502 come in a space-saving SOT23-6 form factor—both minimizing board space while maintaining excellent thermal performance and efficiency. For enhanced design flexibility, the MxL76508 includes Power Good (PG) and an externally programmable soft-start. The MxL76503 and MxL76502 integrate a built-in soft-start and VCC decoupling capacitor, reducing external component count and simplifying layout.
In full-load traffic tests on the MxL86282S platform, the power tree solution consistently meets ripple and stability requirements, demonstrating its robustness in demanding environments. With reduced noise and voltage fluctuations, measured load and line regulation errors remain below 1%. The layout-friendly design—featuring short power paths and local decoupling—enhances transient response and minimizes parasitic effects, making it ideal for OEM/ODM designs.
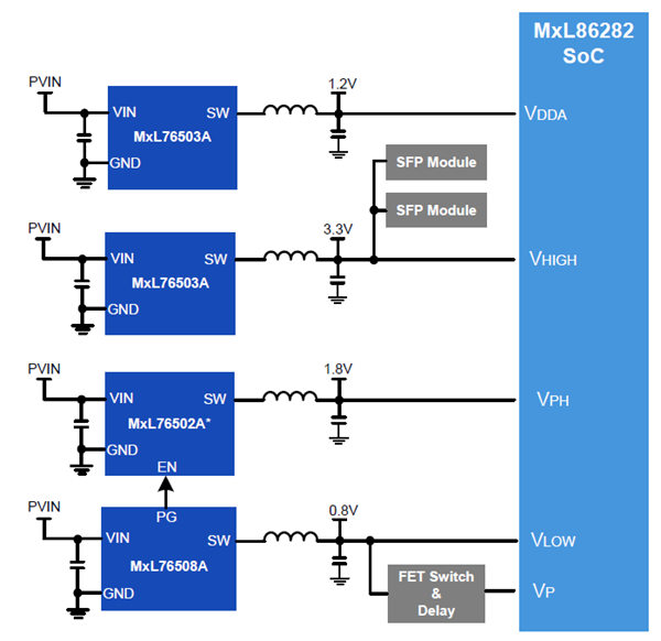
The power architecture solution is proudly featured in the MxL86282S Ethernet switch SoC as a reference platform, which requires 3.3V, 1.8V*, 1.2V, and 0.8V rails, fast transient response, and a compact layout. Each MxL7650x rail contributes to a cohesive, high-efficient power tree solution that enables the MxL86282S to meet the demanding and volatile network traffic needs. For more information, refer to the MxL86282S Data Sheet.
* While the MxL76502 offers high efficiency and thermal performance, the SPX3819 low-dropout/low noise regulator may be used as a cost-effective alternative for low-current rails, such as 1.8V.
Features
- Wide input voltages
- Forced continuous conduction mode (FCCM) providing low ripple even at light load
- Fast transient response provided by constant on-time (CoT) closed loop control
- Built-in soft-start in MxL76503/MxL76502 and programmable soft-start in MxL76508
- Perfect line and load regulation (<1%)
- Small and compact SOT23 package for MxL76503/MxL76502 and 3mm × 3mm QFN package for MxL76508
Configurable output voltage
Applications
- Data center/Server
- Laptop/PC
- Networking systems
- Industrial automation
Integrating MxL7650x into the MxL86282S Reference Platform
As a validated reference platform, the MxL86282S Ethernet switch SoC demonstrates the practical implementation of the MxL7650x advanced power architecture in a production-grade environment for delivering system-level performance and deployment readiness. The following figure shows a top-level block diagram illustrating how the solution is designed to meet the stringent requirements of the MxL86282S reference platform, emphasizing key design attributes such as reliability, scalability, flexibility, and ease of implementation.

Figure 1: System Top View
Power Supply Requirements
The required characteristics for the power supply rails are as follows:
- All 3.3V supplies are designated as VHIGH
- All 1.8V supplies are designated as VPH
- All 1.2V supplies are designated as VDDA
- The 0.8V analog supply of SerDes is designated as VP
The VHIGH must be ramped up and stable before VPH is ramped up. The VLOW must be ramped up and stable before VP is ramped up. The VLOW must be ramped up and stable before the VPH is ramped up. For the required power-up sequence implementation, refer to the MxL86282S Data Sheet.

Table 1: Required Ripple Characteristics of Power Supplies
Efficient Power Sequence Design with MxL76508, MxL76503, and MxL76502
The MxL76508, MxL76503, and MxL76502 devices offer an elegant and efficient solution for power sequencing requirements with minimal external components. In applications where 3.3V and 1.2V rails must power up simultaneously, MxL76503 and MxL76502 are ideal choices, enabling precise timing control without the need for complex circuitry. The 1.8V enable signal can be conveniently derived from the PG output of the MxL76508, ensuring proper sequencing and system integrity. By leveraging these three ICs together, designers can achieve reliable power-up behavior with a highly simplified implementation.
Power Tree for each Rail
A highly efficient power sequence design is implemented for each rail in the MxL86282S Ethernet switch device. With carefully configured delays, as shown in Figure 2, this power-up sequence ensures proper initialization and stable operation across all voltage domains, which is critical for system reliability and performance. For a cost-effective alternative, the MxL76502A can be replaced with the SPX3819R2. For more information, refer to the MxL86282S Data Sheet.


Table 2: Power Consumption Requirements for each Rail
Key Advantages of using MxL7650x Power Solutions
Delivering high efficiency, a compact design, robust thermal performance with minimal noise, the MxL7650x devices simplify power architecture, particularly for direct conversion of a 12V input to multiple rails such as 3.3V, 1.8V, 1.2V, and 0.8V.
High Efficiency
The MxL76508, MxL76503, and MxL76502 are high-efficiency synchronous step-down converters delivering up to 8A, 3A, and 2A respectively. Operating at fixed switching frequencies of 700kHz and 720kHz, they achieve peak efficiencies of up to 94%, making them ideal for compact, power-sensitive designs.
Compact Layout
A simple and optimized layout not only maximizes efficiency by minimizing parasitic losses and switching noise, but also enhances thermal performance through effective heat dissipation. This ensures the MxL7650x devices operate cooler and more reliably in space-constrained designs.

Figure 3: MxL76508 Recommended Layout

Figure 4: MxL76503/MxL76502 Recommended Layout
Compact Layout with Low Ripple, Low Noise
- Constant-On-Time (CoT) closed-loop control enables ultra-fast transient response, ensuring stable voltage regulation during rapid load changes.
- Forced Continuous Conduction Mode (FCCM) maintains low output voltage ripple even under light load conditions, improving signal integrity for sensitive circuits.
- Superior channel-to-channel isolation compared to monolithic PMICs reduces coupling noise, making it easier to manage power delivery to sensitive analog or RF sections.
Direct 12V Input Power Strategy
- Direct step-down from a 12V input to 0.8V is achieved using the MxL76508 buck converter. For 3.3V and 1.2V rails, multiple MxL76503 or MxL76502 converters can be deployed, each configured for its target voltage.
- Single-stage conversion from the 12V input eliminates the need for intermediate voltage rails, which simplifies the power architecture, reduces component count, minimizes board space, and lowers overall power loss—resulting in improved system efficiency and thermal performance.

Figure 5: Efficiency Comparison between Single Stage and Two Stages
Measured Performance Advantages
The metrics presented in this section were captured using the SPX3819R2, selected for cost-sensitive designs.
Exceptional Thermal Performance
- Significantly reduce hot spots across the board with the MxL76508, MxL76503, and MxL76502* distributed converters compared to single PMIC devices, eliminating the need for thermal management with heat sinks and airflow zone control.
- Superior thermal advantage across all supported voltages, with cooler operation and higher efficiently than competitors. The improved thermal profile enables a reliable, energy-efficient, and flexible design solution.


Accurate Load and Line Regulation
The following figures show onboard test results using the MxL76508 for the 0.8V rail, MxL76503 for the 3.3V and 1.2V rails, and SPX3819 for the 1.8V rail. Line regulation was tested under input voltage variations of ±10%, while load regulation was tested from 0A up to the maximum SoC load requirements. This data compares MaxLinear's performance against the average results of market competitors and shows that Maxlinear's power solution provides superior line and load regulation performance.


Consistent Power Sequence across Temperature Extremes
The power-up sequence implemented using the MxL76508 and MxL76503 devices was tested across ambient temperatures ranging from 0 °C to 40 °C, in accordance with commercial standards. With a maximum delta difference of 0.07V, the system consistently delivered stable and predictable power-up sequence performance, demonstrating excellent thermal stability. These results underscore the robustness and reliability of the power design, ensuring dependable operation across a wide range of environmental conditions.

Low Ripple Performance
Ripple characteristics remain well within SoC's tolerance thresholds, offering substantial design margin and ensuring reliable performance across full-load scenarios.

Conclusion
The MxL76508, MxL76503, and MxL76502 power devices deliver exceptional performance across a wide range of operating conditions. With perfect line and load regulation, they meet stringent system requirements while maintaining thermal stability for precise sequencing and minimal temperature rise. These devices ensure low ripple during dynamic full-load operation, contributing to overall system reliability. The MxL76508, housed in a QFN3x3 package, and the MxL76502/MxL76503 in a SOT23-6 package, feature compact form factors that support simplified, space-efficient designs. These attributes make the MxL7650x family an ideal solution for demanding power management needs in data centers/servers, telecom infrastructure, industrial automation, and compact consumer electronics.
Reference Documents
- MxL86282S Data Sheet.
- MxL76508 Data Sheet (286DS).
- MxL76503 Data Sheet (285-76503DS).
- MxL76502 Data Sheet (285-76502DS).
- SPX3819 Data Sheet.